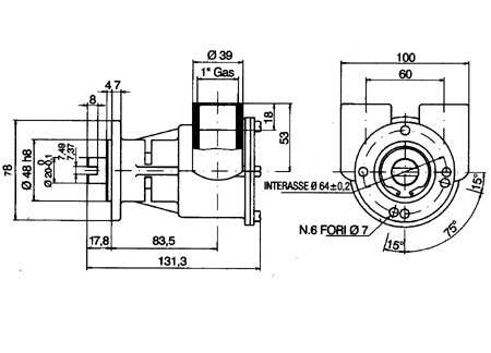
Description
Ancor St146 pumpa za vodu –
BronÄana pumpa za hlaÄenje motora s impelerom od Neoprena.
Johnson ref F7B-9 cod 10-24127-1 / Jabsco ref 23430-1001
Za motore:
Solè Diesel MB16-4/MB616-6
VM HR488/HR492/HR494H10/HR592/HR688/HR692
BMW 636/B190/220/630/635/D530/D150/190/530/636
Mercruiser D2.8D/D3.6L/D7.3LD/D4.2L/D4.2LD
Mitsubishi 4DQ50/S4E2/S6E2
Cummins 6B/6C/SerieB
Mercedes OM616/OM617
Nanni 4.340TDI
Steyr





