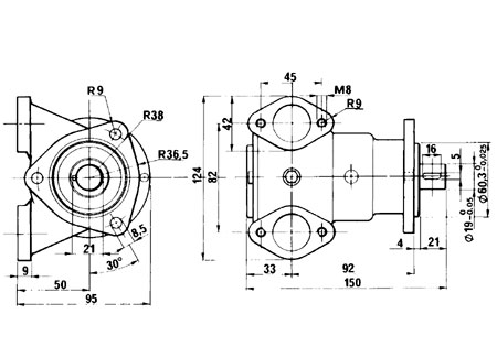
Description
Ancor St150 pumpa za vodu –
BronÄana pumpa za hlaÄenje motora s impelerom od Neoprena.
Johnson ref F7B-9 cod 10-24014-01 / Jabsco ref 9700-21
Za motore:
Iveco 503/504/505/513/520S/521/6AM/8141M/8210M/8220M/836MTCA/CODM/CO3M/CP3M/OMCP
Nanni 6.660E/6.660HE/6.60LE
Perkins 4.270M/6H/6.236M/6.305M/6.354
Deutz DT/DTA
Ford 503C
Valmet





